
这是我们常被问到的问题。
说实话,当同行用低价快速抢占市场时,我们确实 “慢”—— 因为我们坚信:
靠价格换来的客户,终会因价格流失;
唯有靠品质留住的信任,才是真正的市场通行证。
两年多探索,我们交出了客户满意度 100% 的答卷。
今天就来聊聊,我们如何用 “笨功夫” 打造让用户安心的消防水炮。
一、拒绝 “价格换市场”
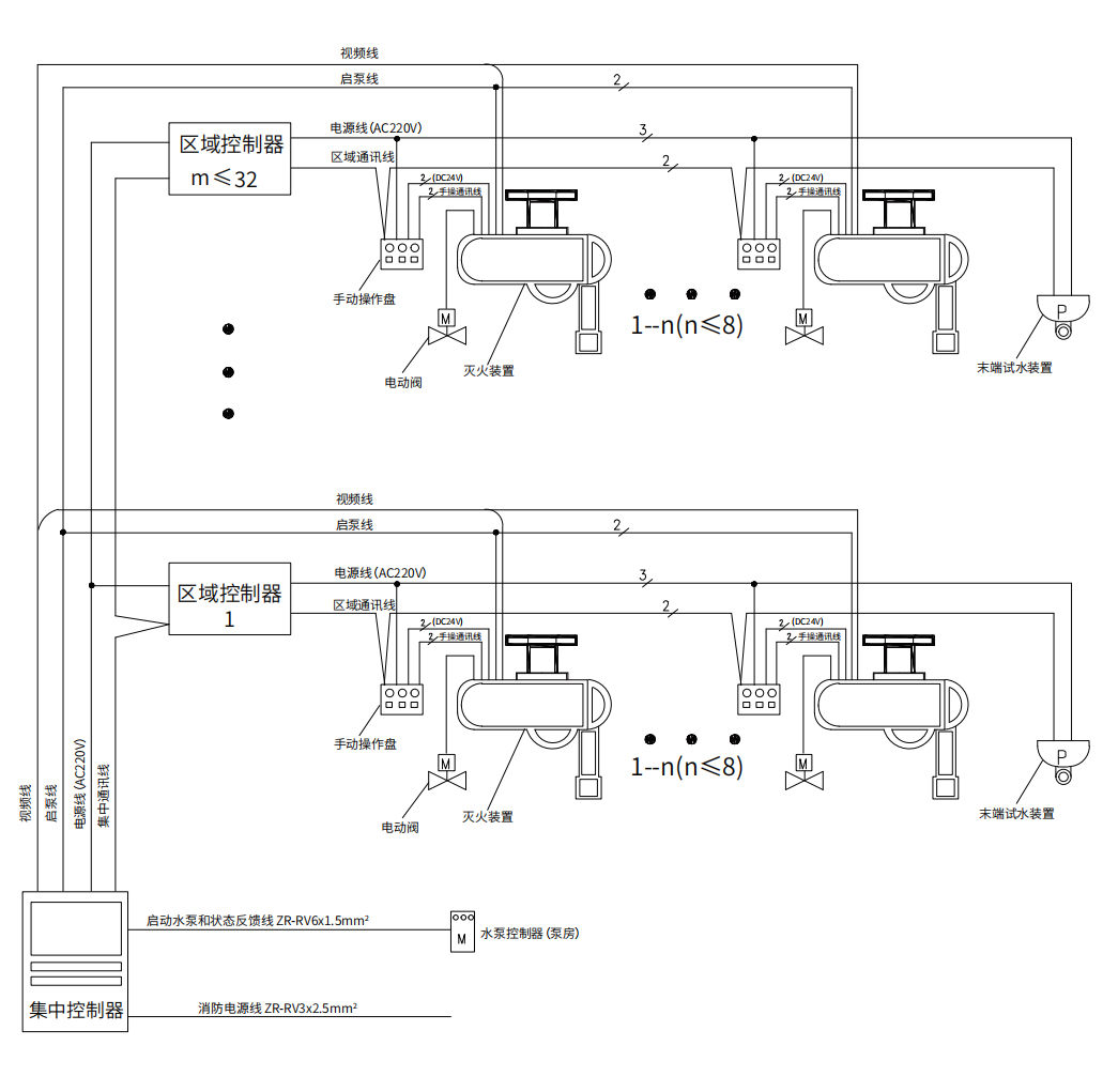
我们用 “国标底线” 做产品红线

原材料只选 “顶配”:
国内顶尖供应商直供,核心部件坚持用进口紫外传感器 + 双红外传感器,光硬件成本就比同行高 30%。

国标是 “最低要求”:
主机标配水流指示器、信号阀反馈功能,严格控制同时启动水炮≤2 门 —— 这些看似 “基础” 的指标,实则是很多厂家为压价放弃的技术门槛。
二、 100% 满意度的底层逻辑
让 “耐用” 成为核心竞争力

省钱更省心
超长寿命省下的更换成本,加上零误报、易验收的优势,综合成本反而更低。
长期主义的胜利
当同行还在为 “回头客” 发愁时,我们 80% 的新客户都来自老客户推荐 —— 这才是真正的 “推广密码”。
三、慢即是快
做消防设备就是做 “生命保障”

在这个追求 “短平快” 的时代,我们宁愿做 “笨人”:
不跟风打价格战,只跟自己比品质;
不盲目推新产品,只把每个细节做到极致。
因为我们知道:消防水炮不是普通商品,而是守护生命财产的最后一道防线。
如果您也厌倦了 “低价陷阱”,想找真正耐用的源头工厂,欢迎联系我们。
让我们用 100% 的用心,换您 100% 的安心。
