消防水炮|自动跟踪定位射流灭火装置-苏州领消智能消防有限公司

规范分享-智能主动型喷水灭火系统应用技术规程

时间: 2023-05-31 13:47 来源:lingxiao 点击:2133

  

根据中国消防协会《关于批准立项团体标准<便携式气溶胶灭火器>等的公告(中消协〔202075号)的要求,《智主动型喷水灭火系统应用技术规程》编制组在依据研究试验成果,同时参考和吸收国内外相关标准规范、总结国内工程实践经验并经广泛征求意见的基础上,制定本规程。

本规程共分73个附录,主要内容包括:总则、术语和符号、基本规定、系统设计、系统组件、安装调试及验收、维护管理等。

本规程中国消防协会归口管理,由浙江瑞城消防设备有限公司负责具体技术内容的解释。在使用中如发现需要修改或补充之处,请将意见和资料寄送解释单位。

本规程主编单位、参编单位、主要起草人和主要审查人:

主编单位:浙江瑞城消防设备有限公司天津大学建筑设计规划研究总院有限公司

参编单位:应急管理部天津消防研究所浙江大学建筑设计研究院有限公司、建安消防设备(浙江)有限公司、建学建筑与工程设计所有限公司上海临港普洛斯国际物流发展有限公司宝钢工程技术集团有限公司苏州领消智能消防有限公司上海瑞砾实业有限公司

主要起草人:邵红林、杨丙杰、张中晓、刘洪海、张文彬、张强、田立伟、王靖华、李毅、刘欣、祝冠华、沈优越、郑代俊、王福恩、陈恺、施杰、陈科、喻希、张中飞、倪君彪、沈显龙

主要审查人:金鹏、张文华、郭汝艳、李云贺、张之立、王鹏翔、王欣、赖穗欢、屈震、杜增虎、钟燕

  

1 总  则

2 术语和符号

2.1 术  语

2.2 符  号

3 基本规定

4 系统设计

4.1 系统选型

4.2 设计基本参数

4.3 操作与控制

5 系统组件

5.1 主动启动喷头

5.2 火灾探测及启动部件

5.3 灭火控制器和区域控制器

5.4 自动排气阀

6 安装、调试及验收

6.1 进场检验

6.2 安装

6.3 调试

6.4 验收

7 维护管理

附录A 系统启动性能测试

附录B 系统联动试验记录

附录C 系统工程验收记录

附:条文说明

 

Contents

1 General provisions

2 Terminologies and symbols

2.1 Terms

2.2 Symbols

3 Basic requirements

4 System design

4.1 Selection of systems

4.2 Basic design parameters

4.3 Operation and control

5 System components

5.1 Active sprinklers

5.2 Fire detection active element

5.3 Fire controller and zone controller

5.4 Automatic exhaust valve

6 System installation, test and acceptance

6.1 Approach check

6.2 Installation

6.3 Test

6.4 Acceptance

7 System maintenance

Appendix A  Operation performance test of systems

Appendix B  System linkage test records

Appendix C System acceptance records

AdditionExplanation of provisions

 


1   

1.0.1  为合理设计智能主动型喷水灭火系统,保证安装质量,规范系统调试、验收和维护管理,制定本规程。

1.0.2  本规程适用于新建、扩建、改建的民用和工业建筑采用智能主动型喷水灭火系统的设计、安装、调试、验收及维护管理不适用于火药、炸药、弹药、火工品工厂及仓库、核电站及飞机库等特殊功能建筑中设置的智能主动型喷水灭火系统。

1.0.3  智能主动型喷水灭火系统的设计、安装、调试、验收及维护管理,应密切结合保护对象的功能和火灾特点,做到安全可靠、技术先进、经济合理。

1.0.4  智能主动型喷水灭火系统的设计、安装、调试、验收及维护管理,除应符合本规程的规定外,尚应符合国家现行有关标准的规定。

2 
术语和符号

2.1   

2.1.1 智能主动型喷水灭火系统  intelligent active sprinkler systems

由主动启动喷头、火灾探测启动部件、灭火控制器区域控制器、报警阀组、水流报警装置等组件以及管道供水设施控制装置等组成,具有在早期识别火灾并通过算法驱动火灾探测及启动部件和主动启动喷头的自动喷水灭火系统。简称系统。

2.1.2 智能主动型湿式系统  intelligent active wet pipe sprinkler systems

准工作状态时配水管道内充满有压水,发生火灾时通过识别并定位火灾后开启主动启动喷头实施喷水灭火的系统。简称湿式系统。

2.1.3 智能主动型预作用系统  intelligent active preaction sprinkler systems

准工作状态时配水管道内不充水,发生火灾时通过开启自动排气阀和预作用装置后向配水管道内充水,在识别和定位火灾后开启主动启动喷头实施喷水灭火的系统。简称预作用系统。

2.1.4 主动启动喷头  active sprinklers

流量系数K80 L/min/(bar)0.5具有接收电启动信号启动和感温自启动双重功能的闭式喷头。

2.1.5 灭火控制器  fire controller

接收区域控制器的信息,通过识别火灾特征数据后判定火灾,同时启动火灾位置处的喷头喷水灭火,并反馈喷头工作状态信号和实时传输信息的设备

2.1.6 区域控制器  zone controller

集中管理同一物理分区内的总线控制单元,对火灾探测及启动部件进行数据收集、状态监测并向灭火控制器传输信号的设备。

2.1.7 总线控制单元 bus control unit

通过总线方式管理多个火灾探测及启动部件的设备。

2.1.8 火灾探测及启动部件  fire detection and active element

通过总线控制单元区域控制器传输数据,并在接收灭火控制器信号后向主动启动喷头输送电启动信号的部件,包括感温探测模块、感烟探测模块、光学(红外或紫外)或图像探测模块等。

2.1.9 感温探测模块  temperature detection module

以一定的时间间隔持续测量被保护区的温度,并通过实时计算绝对变化量、上升速率、加速度和持续时间等判定火灾的探测元件。

2.1.10 感烟探测模块  smoke detection  module

以一定的时间间隔持续测量被保护区的烟雾浓度,并通过实时计算绝对变化量、上升速率和持续时间等判定火灾的探测元件。

2.1.11 物理分区  physical compartment

在建筑内部采用防火(隔)墙、楼板及其他防火分隔设施分隔,在一定时间内防止火灾向其余区域蔓延的相对独立的区域

2.1.12 组群启动  group operate

系统确认火灾后,由灭火控制器或区域控制器启动着火区域的一组洒水喷头。

2.1.13 定压式自动排气阀  constant pressure automatic exhaust valve

设置在预作用系统中,达到设定压力后自动开启并在液体介质充满阀体后自动关闭的阀门。

2.2   

A1——一只喷头正下方区域

A2——两只喷头正下方区域

A3——四只喷头正下方区域

h——最大净空高度

S——喷头安装间距

SL——喷头溅顶板的距离

3 
基本规定

3.0.1  系统采用的组件、设备和材料,应选用符合国家现行有关标准和有关市场准入制度的产品。

3.0.2  系统适用于下列场所:

1  净空高度不超过18 m的民用建筑和厂房;

2  丙类仓库。

3.0.3  系统的设计原则应符合下列规定:

1  应在火灾初期及时、准确探测火灾,并启动保护范围内的主动启动喷头;

2  系统组件无法主动启动时,系统应按照感温自启动的原理实施灭火;

3  喷头组群启动,在规定时间内按设计选定的喷水强度持续喷水;

4  喷头洒水时应均匀分布,且不应受阻挡。

3.0.4  系统中各类设备之间的接口和通信协议的兼容性应符合现行国家标准《火灾自动报警系统组件兼容性要求》GB 22134的有关规定。

3.0.5  除本规程另有规定外,报警阀组、水流指示器、压力开关、末端试水装置以及管道、供水设施的设置和安装、水力计算、操作和控制等应符合现行国家标准的规定。

4 
 系统设计

4.1 系统选型

4.1.1 系统的选型应符合下列规定:

1  环境温度不低于4℃且不高于70℃的场所,应采用湿式系统;其中处于准工作状态时严禁系统误喷或严禁管道充水的场所,应采用预作用系统

2  环境温度低于4℃或高于70℃的场所,采用预作用系统

4.1.2 符合下列条件之一的场所,可采用仅在顶板层设置喷头的湿式系统,系统设计参数应符合本规程第4.2.24.2.3规定

1  最大净空高度不超过18 m的民用建筑和厂房;

2  最大净空高度不超过13.5 m且最大储物高度不超过12.0 m,储物类别为仓库危险级级或沥青制品、箱装不发泡塑料的仓库及类似场所

3  最大净空高度不超过12.0 m且最大储物高度不超过10.5 m,储物类别为袋装不发泡塑料、箱装发泡塑料和袋装发泡塑料的仓库及类似场所。

4.1.3 符合下列条件之一的场所,当采用湿式系统确有困难时,可采用仅在顶板层设置喷头的预作用系统,系统设计参数应符合本规程第4.2.5规定

1  最大净空高度不超过12.0 m且最大储物高度不超过10.5 m储物类别为仓库危险级级的仓库及类似场所

2  最大净空高度不超过9.0 m且最大储物高度不超过7.5 m,储物类别为箱装发泡塑料和袋装不发泡塑料的仓库及类似场所;

3  最大净空高度不超过7.5 m且最大储物高度不超过6.0 m,储物类别为装发泡塑料仓库及类似场所。

4.2 设计基本参数

4.2.1 系统设置场所的火灾危险等级划分应符合现行国家标准《自动喷水灭火系统设计规范》GB 50084的规定,持续喷水时间应按火灾延续时间不小于1.0h确定

4.2.2 民用建筑和厂房采用湿式系统时,设计基本参数低于4.2.2的规定。

4.2.2  民用建筑和厂房的系统设计基本参数

火灾危险等级

最大净空高度hm

喷水强度

[L/minm2]

作用面积

m2

喷头间距

Sm

中危险级

h8

6

100

1.8S3.0

8h12

12

12h18

15

中危险级

h8

8

8h12

15

12h18

20

注:最大净空高度为12m~18m的场所应采用基于非仓库型特殊应用喷头的主动启动喷头,系统最不利点处喷头的工作压力应经计算确定,且不应小于0.07 MPa

4.2.3 仓库场所采用湿式系统时,应符合下列规定:

1  应采用基于早期抑制快速响应(ESFR)喷头的主动启动喷头;

2  作用面积内开放的喷头数量应按不少于6只确定,且不应小于100m2

3  系统设计基本参数不应低于4.2.3的规定

4.2.3  仓库场所采用湿式系统的设计基本参数

储物类别

最大净空高度(m

最大储物高度(m

喷头流量系数K

L/min/(bar)0.5

喷头设置方式

喷头最低

工作压力(MPa

喷头最大间距

m

喷头最小间距

m

级、沥青制品、箱装不发泡塑料

9.0

7.5

202

直立型

0.35

3.7

2.4

下垂型

242

直立型

0.25

下垂型

320

下垂型

0.20

363

下垂型

0.15

10.5

9.0

202

直立型

0.50

3.0

下垂型

242

直立型

0.35

下垂型

320

下垂型

0.25

363

下垂型

0.20

12.0

10.5

202

下垂型

0.50

242

下垂型

0.35

363

下垂型

0.30

13.5

12.0

363

下垂型

0.35

无包装不发泡塑料

9.0

7.5

202

下垂型

0.50

3.7

242

下垂型

0.35

363

下垂型

0.25

10.5

9.0

363

下垂型

0.35

3.0

12.0

10.5

363

下垂型

0.40

箱装发泡塑料

9.0

7.5

202

直立型

0.35

3.7

下垂型

242

直立型

0.25

下垂型

320

下垂型

0.25

363

下垂型

0.15

12.0

10.5

363

下垂型

0.40

3.0

装发泡塑料

7.5

6.0

202

下垂型

0.50

3.7

2.4

242

下垂型

0.35

363

下垂型

0.20

9.0

7.5

202

下垂型

0.70

242

下垂型

0.50

363

下垂型

0.30

12.0

10.5

363

下垂型

0.50

3.0

4.2.4 货架仓库的最大净空高度或最大储物高度超过本规程第4.2.3条的规定采用湿式系统应分别在顶板层和货架内设置主动启动喷头,系统设计流量应按顶板层喷头和货架内喷头同时喷水确定。顶板层喷头的设计基本参数不应低于4.2.4的规定,货架内喷头的设置应符合下列要求:

1  仓库危险级级场所采用流量系数K115 L/min/(bar)0.5喷头,仓库危险级级场所应采用流量系数K161 L/min/(bar)0.5喷头,工作压力不应低于0.10 MPa

2  仓库危险级级场所应每不超过6.0 m设置一层货架内喷头,仓库危险级级场所应每不超过4.5m设置一层货架内喷头;货架内喷头的上方应设置实层隔板;

3  仓库危险级级场所最高层货架内喷头上方的储物高度不应超过6.0 m,仓库危险级级场所最高层货架内喷头上方的储物高度不应超过4.5 m储物顶部与顶板层喷头溅水盘的距离不应大于6.0 m

4  货架内喷头应布置在储物之间的间隙位置,储物之间的间隙宽度不应小于150mm,喷头之间的水平间距宜为1.2 m~3.0 m

5  货架内喷头开放数量应按不少于6只确定,当设置层数超过2层时,计算流量应按最顶层2层且每层各开放不少于3只确定。

4.2.4  顶板层喷头的设计基本参数

储物类别

顶板层喷头的设计基本参数

喷头流量系数K L/min/(bar)0.5

喷头设置方式

作用面积及喷头开放数量

喷头最低工作

压力(MPa

喷头间距Sm

仓库危险级级、

202

下垂型

6且不低于100m2

0.15

1.8S3.0

363

0.05

箱装发泡、箱装不发泡塑料

202

0.15

363

0.10

装发泡塑料、装不发泡塑料

202

0.35

363

0.15

4.2.5 仓库场所采用预作用系统时,应符合下列规定

1  顶板层应采用基于仓库型特殊应用喷头的直立型或干式下垂型主动启动喷头;

2  系统充水时间不应大于60s,且自动排气阀的总排气能力应确保管网的排气时间不超过管网的充水时间;

3  货架之间的通道宽度不应小于1.2m

4  系统设计基本参数不应低于4.2.5的规定。

4.2.5  仓库场所采用预作用系统的设计基本参数

储物类别

储存方式

最大净空高度(m

最大储物高度

m

设计基本参数

喷头流量系数K L/min/(bar)0.5

作用面积内喷头开放数量(只)

喷头最大间距(m

最不利点喷头工作压力MPa

堆垛、托盘、货架

9.0

7.5

161

12

3.0

0.35

242

12

0.15

12.0

10.5

161

18

0.40

242

18

0.15

363

12

0.10

堆垛、托盘

9.0

7.5

242

15

0.15

堆垛、托盘

363

15

0.07

堆垛、托盘、货架

12.0

10.5

363

12

0.15

箱装发泡塑料

堆垛、托盘

9.0

7.5

242

15

0.15

363

15

0.07

装不发泡塑料

堆垛、托盘

9.0

7.5

363

15

0.07

装发泡塑料

堆垛、托盘

7.5

6.0

242

15

0.15

363

15

0.07

4.2.6 仓库采用货架储存时应采用钢制货架,并应采用通透层板,且层板中通透部分的面积不应小于层板总面积的50%

4.2.7 系统应设置独立的报警阀组,可与其他自动灭火系统共用消防水泵及供水管网,但应符合下列规定:

1  两个系统同时工作时,系统设计水量、水压及一次灭火用水量应满足两个系统同时使用的要求;

2  两个系统不同时工作时,系统设计水量、水压及一次灭火用水量应满足较大一个系统使用的要求;

3  两个系统应能正常运行,互不影响。

4.3 操作与控制

4.3.1 系统应具有自动和手动启动功能。

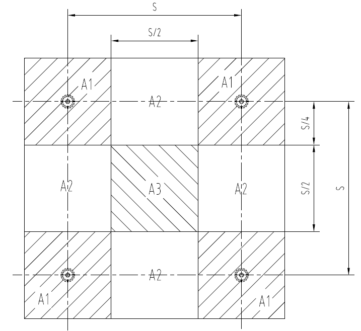
4.3.2 一起火灾中,系统组群启动的喷头数量应根据火灾位置和火灾特征参数等因素经计算算法和逻辑判断后确定,但不应超过6只(图4.3.2)。

图片1.png 

S——喷头间距

A1——一只喷头正下方区域A2——两只喷头正下方区域A3——四只喷头正下方区域

4.3.2  火灾位置示意图

4.3.3 定压式自动排气阀管道内气体压力上升到设定值后自动开启,并应在水充满阀腔后自动关闭。

4.3.4 区域控制器应具有下列功能:

1  实时监测总线控制单元内每个火灾探测及启动部件的信息,并在识别火灾状态后将信息传输至灭火控制器;

2  识别与灭火控制器之间的通讯状态,当该状态发生故障时,可独立启动所控制的主动启动喷头。

4.3.5 灭火控制器应具有下列功能:

1  统一控制整套系统,并应根据区域控制器的传输信息经计算算法和逻辑判断后组群启动喷头;

2  采集各总线控制单元所带的火灾探测及启动部件的状态信息并进行显示、存储、打印等管理;

3  应具有与外部信息交换的通讯接口。

4.3.6 预作用系统的报警阀组应具备下列控制方式:

1  自动控制;

2  消防控制室远程控制;

3  现场手动控制。

4.3.7 消防水泵的启动应符合下列要求:

1  应由火灾报警控制器、消防水泵出水干管上设置的压力开关、高位水箱出水管的流量开关和报警阀组的压力开关自动启动消防水泵;

2  除上述直接启动外,尚应具有消防控制室远程控制、消防水泵房现场手动控制和机械应急启动控制。


Copyright © 2022 苏州领消智能消防有限公司-消防水炮|自动跟踪定位射流灭火装置 All Rights Reserved. | 苏ICP备2022028151号-1